富士能15.6-500mm鏡頭
富士能15.6-500mm鏡頭是一款32倍超長焦距電動變倍高清透霧監控鏡頭,型號是FH32×15.6SR4A-CV1,產品支持自動聚焦、變焦全高清、高感光度傳感器、后焦距調整等功能。
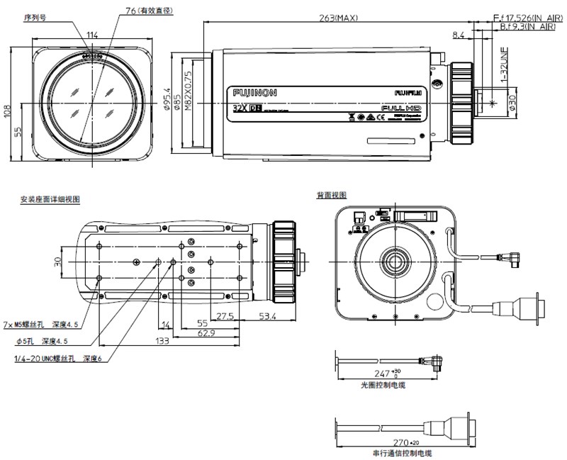
富士能15.6-500mm鏡頭是一款32倍超長焦距電動變倍高清透霧監控鏡頭,型號是FH32×15.6SR4A-CV1,產品支持自動聚焦、變焦全高清、高感光度傳感器、后焦距調整等功能。
富士能15.6-500mm鏡頭是一款32倍超長焦距電動變倍高清透霧監控鏡頭,型號是FH32×15.6SR4A-CV1,產品支持自動聚焦、變焦全高清、高感光度傳感器、后焦距調整等功能。
項目 | FH32×15.6SR4A-CV1 | ||
用途 | 2/3"日夜型攝像機用 | ||
焦距 | 15.6 mm ~ 500 mm | ||
變焦倍率 | 32倍 | ||
最大相對孔徑 | 1 : 3.9 | ||
光圈范圍 | F3.9 ~ F16 | ||
圖像尺寸 (HxV) [4:3] | 8.8 × 6.6 mm (φ11 mm) | ||
后基距 | 9.3 mm (空氣換算長) | ||
后焦距 | 17.526 mm (空氣換算長) | ||
聚焦范圍 | ∞ ~ 3 m (自鏡頭前片起) | ||
視角(HxV) [16:9] | 2/3型 | WIDE | 30.93゜x 23.60゜ |
TELE | 1.03゜x 0.77゜ | ||
1/1.8型 | WIDE | 25.38゜x19.24゜ | |
TELE | 0.83゜x 0.63゜ | ||
1/2型 | WIDE | 22.92゜x 17.33゜ | |
TELE | 0.75゜x0.56゜ | ||
視角(HxV) [16:9] | 2/3型 | WIDE | 33.43゜x 19.42゜ |
TELE | 1.12゜x 0.63゜ | ||
1/1.8型 | WIDE | 27.51゜x 15.78゜ | |
TELE | 0.91゜x 0.51゜ | ||
1/2型 | WIDE | 24.88゜x14.21゜ | |
TELE | 0.82゜x0.46゜ | ||
最小物距下的物體大小(HxV) [4:3] (2/3型) | WIDE | 1580mm x 1197 mm | |
TELE | 52mm x 39mm | ||
最小物距下的物體大小(HxV) [16:9] (2/3型) | WIDE | 1713mm x 981mm | |
TELE | 56mm x 32mm | ||
鏡頭有效直徑 | 前片 | φ76.0mm | |
后片 | φ10.5 mm | ||
出射光瞳位置 | -52mm (自成像面起) | ||
接口 | C接口 | ||
濾色鏡螺紋 | M82×0.75 mm | ||
使用溫度 | -10゜C ~ +50゜C | ||
保存溫度 | -20゜C ~ +60゜C | ||
重量 | 約2.9 kg | ||

科技改變生活,科技引領未來